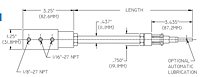
MicroCentric's patented NR50 air tube is used with HST/HS chucks. This air tube couples to a rotary air journal mounted in the ID HST/HS chucks. The NR50 is a three passage design for coolant through the spindle or automatic lubrication.
NR50 air tubes include air hoses and fittings. A support bushing is required to fix the tube to the rear of the machine spindle. Contact our sales department for additional information.
Unit of Measure
Max. Speed |
N/A 10,000 rpm |
Ordering Information |
N/A
Length of air tube to be specified when ordering. |
