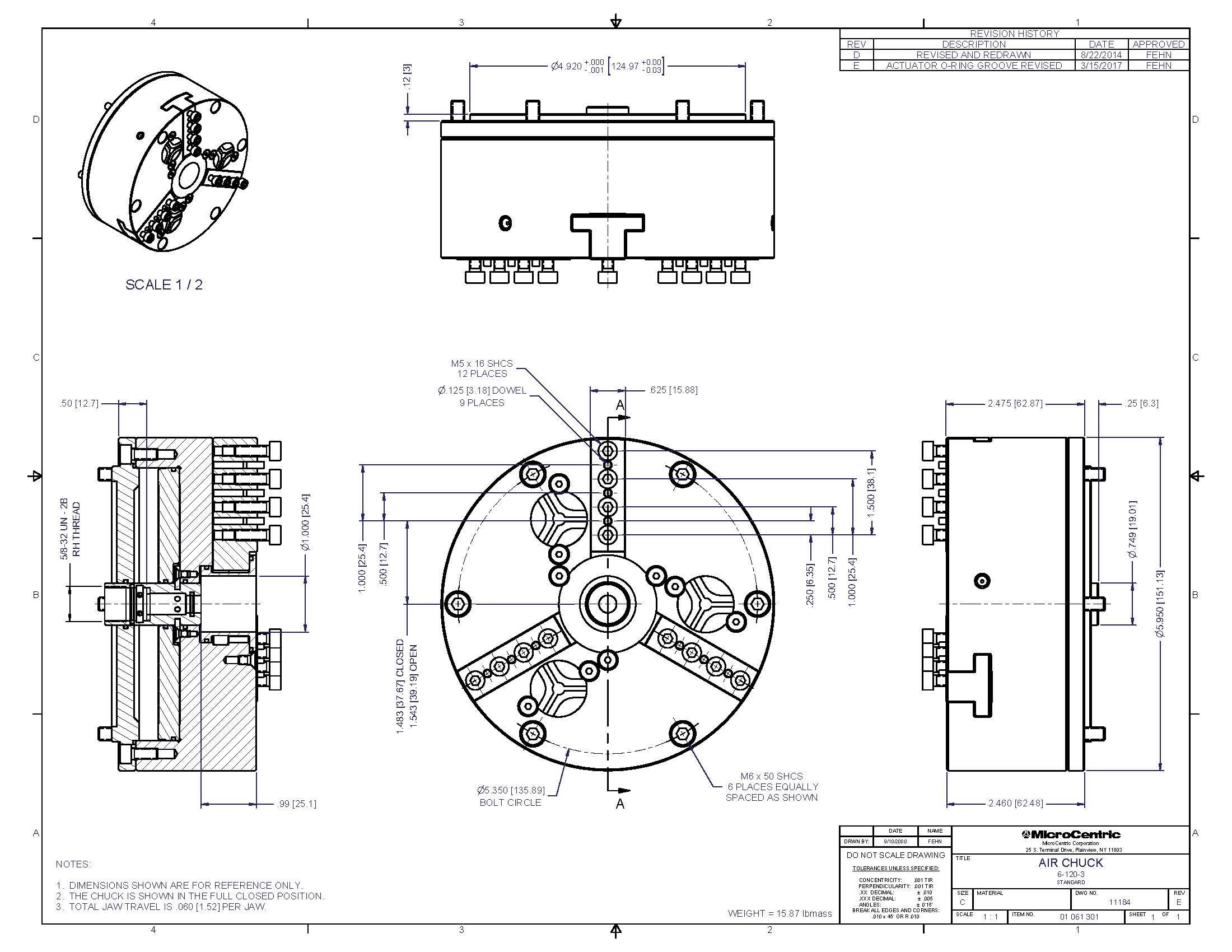
Rotating air chucks are ideal for precision turning and cylindrical grinding applications that require close concentricity, squareness, and parallelism tolerances. Variable clamping force enables clamping of thin-walled and other fragile parts with minimal distortion. All models, except the 3-50, feature a coolant or air passage through the center of the chuck.
Chuck Accuracy
- .00005" (0.0012mm) TIR is standard
- .00002" (0.0005mm) TIR is available
Unit of Measure
Chuck Size |
N/A 6 in150 mm |
| No. of Jaws1 | N/A 3 |
| Chuck Accuracy2 | N/A .00005 in.0012 mm |
| Jaw Stroke3 | N/A .120 in3.0 mm |
Max. Clamp Force |
N/A 3,820 lbs17.0 kN |
Max. Air Pressure |
N/A 100 psi0.7 MPa |
| Max. rpm4 | N/A 4,000 |
Chuck Weight |
N/A 15.9 lb7.2 kg |
Item No. |
N/A 01 061 301 |
|
N/A
All Rotating Air Chucks include: |
- 1 2 jaw configurations available for all air chuck sizes, 6 jaw configurations available on 10 inch (250 mm) models
- 2 Chuck accuracy is defined as the total indicator reading (maximum radial and lateral runout) of a master gage measured 1.0" (25 mm) from the face of a standard top jaw
- 3 Total jaw stroke (on diameter)
- 4 Max. rpm is influenced by air pressure and mass of top jaws




